Gearbox


Bevel Gearbox
Gearbox

V-Series Bevel Gearbox

• Industrial Bevel Gear Boxes
• Low backlash cube gear box for industrial applications
• Housing Raw Material options:
1. Steel
2. Cast Iron
3. Case Carborising Steel
• We use heat treated & lapped spiral Bevel Gears
• Customized Cube Boxes Available
• Ground Spiral Bevel Boxes are also available for high precision applications

Enquire Now


Gearbox Specification ↓

Configuration

V-28 Configuration and GA Details
Parameters A B C D E F G H M N O P
V-28 230 130 78.5 28K7 270 160 288.5 110 233 215 191 34.5
Configuration Image 1 Configuration Image 2

Power Chart

Power Chart - V-Series
Model Ratio Input RPM Output RPM Input Power (Kw) No Of Paddle SF
V-24 11.9 1440 121 1.5 4 1.5
V-24 13.9 1440 104 1.5 6 1.5


Helical Gearbox
Gearbox

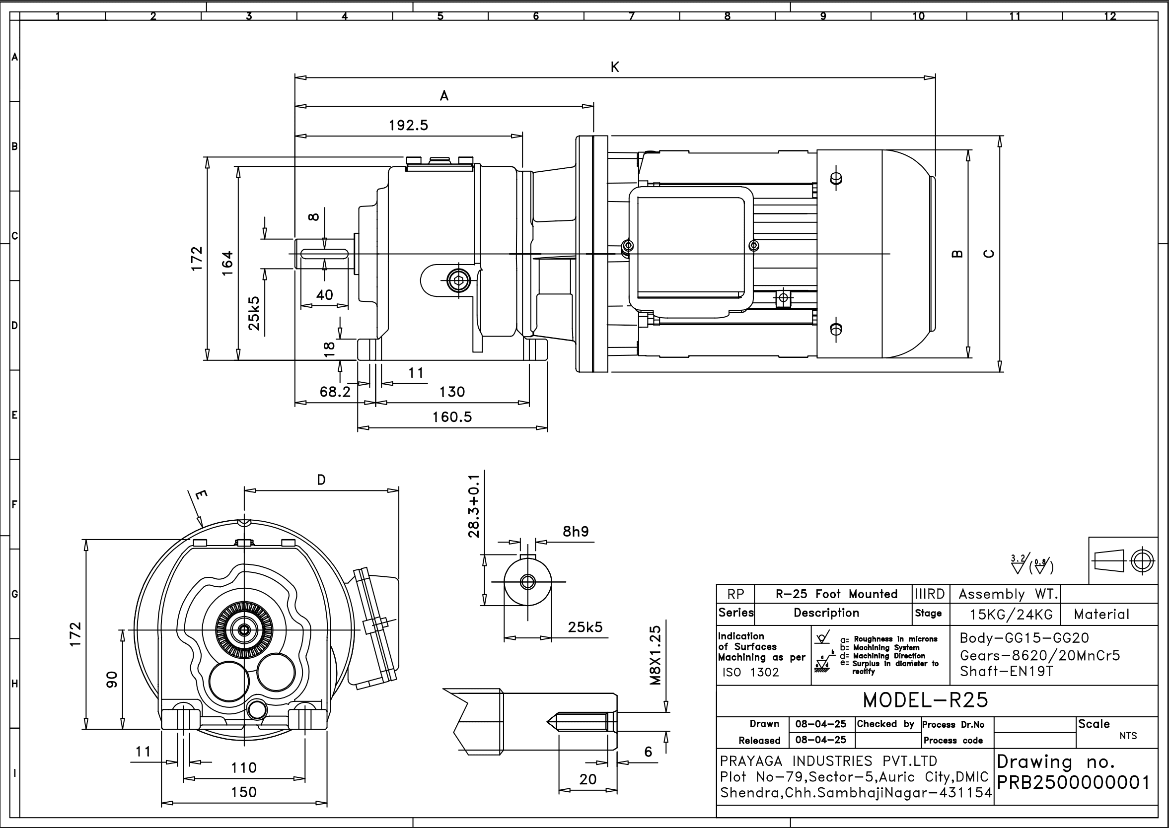
R Series Gearbox

• Gearbox body constructed from high-strength grey cast iron, ensuring durability and stability.
• Internal gears manufactured from premium 8620/20MnCr5 materials for enhanced strength and longevity.
•R Series gearboxes available in a wide range of ratios, from 2.2 (650 RPM) to 160 (10 RPM), catering to diverse industrial

Enquire Now


Gearbox Specification ↓

Configuration

Dimension chart R-25
71 80 90S 90L
K 466.5 488.5 506.5 531.5
A 252.5 252.5 264.5 264.5
B 140 176 176 176
C 160 200 200 200
D 134 140 145 155
E 160 200 200 200
Configuration Image 1
  • RB-25
  • RB-30
  • RB-40
  • RB-50

Power Chart - RB-25

Model Ratio Input RPM Output RPM Input Power (Kw) Output Torque (Nm) SF
RB-25 63.1 1440 22.8 0.37 148.8 1.2
RB-25 56.3 1440 25.6 0.55 197.2 0.9
RB-25 50.7 1440 28.4 0.55 177.6 1.0
RB-25 42.1 1440 34.2 0.75 201.2 0.9
RB-25 40.8 1440 35.3 0.75 194.9 0.9
RB-25 36.6 1440 39.3 0.75 174.9 1.0
RB-25 31.5 1440 45.7 0.75 150.5 1.2
RB-25 28.2 1440 51.1 0.75 134.6 1.3
RB-25 25.3 1440 56.9 1.1 177.3 1.0
RB-25 22.5 1440 63.9 1.1 157.9 1.1
RB-25 20.2 1440 71.2 1.1 141.7 1.3
RB-25 18.3 1440 78.8 1.5 174.6 1.0
RB-25 16.6 1440 86.7 1.5 158.6 1.1
RB-25 13.9 1440 103.7 1.5 132.6 1.4
RB-25 12.8 1440 112.8 1.5 121.9 1.5
RC-25 190.2 1440 7.6 0.18 218.0 0.92
RC-25 169.6 1440 8.5 0.18 194.4 1.03
RC-25 152.8 1440 9.4 0.25 243.2 0.82
RC-25 126.9 1440 11.3 0.25 202.0 0.99
RC-25 122.9 1440 11.7 0.25 195.7 1.02
RC-25 110.4 1440 13.0 0.25 175.6 1.14
RC-25 94.9 1440 15.2 0.25 151.1 1.32
RC-25 84.9 1440 17.0 0.37 200.0 1.00
RC-25 76.3 1440 18.9 0.37 179.6 1.11
RC-25 67.9 1440 21.2 0.37 160.0 1.25
RC-25 61.0 1440 23.6 0.37 143.6 1.39
RC-25 55.1 1440 26.1 0.55 192.8 1.04
RC-25 50.0 1440 28.8 0.55 175.2 1.14
RC-25 41.8 1440 34.4 0.75 199.7 1.00
RC-25 38.4 1440 37.5 0.75 183.6 1.09
RC-25 32.8 1440 44.0 0.75 156.4 1.28
RC-25 30.3 1440 47.5 0.75 144.9 1.38
RC-25 28.2 1440 51.1 0.75 134.5 1.41
RC-25 24.4 1440 59.1 1.1 170.6 1.11
RC-25 21.2 1440 68.0 1.1 148.2 1.21
RC-25 19.8 1440 72.9 1.1 138.3 1.23
RC-25 17.2 1440 83.6 1.5 164.5 1.03

Power Chart - RB-30

Model Ratio Input RPM Output RPM Input Power (Kw) Output Torque (Nm) SF
RB-30 50.1 1440.0 28.8 1.1 350.7 1.03
RB-30 44.6 1440.0 32.3 1.1 312.5 1.15
RB-30 38.8 1440.0 37.1 1.1 271.6 1.33
RB-30 34.8 1440.0 41.4 1.5 332.4 1.08
RB-30 31.4 1440.0 45.8 1.5 300.0 1.20
RB-30 28.1 1440.0 51.2 1.5 268.5 1.34
RB-30 25.4 1440.0 56.8 2.2 355.3 1.01
RB-30 23.0 1440.0 62.5 2.2 322.6 1.12
RB-30 20.7 1440.0 69.6 2.2 289.8 1.24
RB-30 17.8 1440.0 80.9 3 339.9 1.06
RB-30 16.5 1440.0 87.5 3 314.4 1.15
RB-30 14.2 1440.0 101.3 3 271.4 1.33
RB-30 12.4 1440.0 116.2 4 315.5 1.14
RB-30 9.6 1440.0 149.7 4 245.0 1.39
RB-30 3.1 1440.0 463.6 7.5 148.3 1.01
RC-30 156.4 1440.0 9.2 0.37 368.5 1.14
RC-30 139.4 1440.0 10.3 0.37 328.5 1.28
RC-30 121.2 1440.0 11.9 0.37 285.4 1.47
RC-30 98.2 1440.0 14.7 0.55 343.7 1.22
RC-30 72.0 1440.0 20.0 0.75 343.6 1.22
RC-30 38.7 1440.0 37.2 1.5 369.7 1.14
RC-30 28.3 1440.0 50.9 2.2 396.6 1.06
RC-30 22.5 1440.0 64.0 2.2 315.1 1.33
RC-30 17.1 1440.0 84.3 3 326.4 1.13

Power Chart - RB-40

Model Ratio Input RPM Output RPM Input Power (Kw) Output Torque (Nm) SF
RB-40 58.1 1440 24.8 2.2 813.9 0.9
RB-40 50.2 1440 28.7 2.2 702.4 1.0
RB-40 45.1 1440 31.9 2.2 632.3 1.1
RB-40 40.8 1440 35.3 2.2 571.6 1.3
RB-40 36.7 1440 39.3 2.2 513.4 1.4
RB-40 30.6 1440 47.0 3 585.1 1.2
RB-40 27.7 1440 51.9 3 529.9 1.4
RB-40 24.0 1440 60.1 4 610.4 1.2
RB-40 22.0 1440 65.5 4 559.8 1.3
RB-40 19.4 1440 74.2 5.5 679.6 1.1
RB-40 17.1 1440 84.3 5.5 598.5 1.2
RB-40 15.9 1440 90.8 5.5 555.6 1.3
RB-40 13.6 1440 106.1 7.5 648.0 1.1
RB-40 12.7 1440 113.7 7.5 605.0 1.2
RB-40 11.4 1440 126.2 9 654.0 1.1
RB-40 10.3 1440 139.5 9 591.6 1.1
RB-40 8.9 1440 161.1 9 512.2 1.3
RB-40 8.1 1440 176.7 9 466.9 1.3
RB-40 7.1 1440 202.4 9 407.8 1.4
RB-40 6.4 1440 226.6 9 364.2 1.5
RB-40 5.5 1440 263.0 9 313.7 1.7
RC-40 167.0 1440 8.6 0.75 797.4 1.03
RC-40 144.1 1440 10.0 0.75 688.2 1.19
RC-40 129.7 1440 11.1 0.75 619.5 1.32
RC-40 117.3 1440 12.3 0.75 560.0 1.46
RC-40 105.3 1440 13.7 1.1 737.7 1.11
RC-40 88.0 1440 16.4 1.1 616.6 1.33
RC-40 79.7 1440 18.1 1.5 761.5 1.08
RC-40 68.9 1440 20.9 1.5 657.9 1.25
RC-40 63.2 1440 22.8 1.5 603.3 1.36
RC-40 55.8 1440 25.8 2.2 781.3 1.05
RC-40 49.1 1440 29.3 2.2 688.0 1.19
RC-40 45.6 1440 31.6 2.2 638.7 1.28
RC-40 39.0 1440 36.9 2.2 546.3 1.50
RC-40 36.4 1440 39.5 3 695.5 1.18
RC-40 32.8 1440 43.9 3 626.5 1.31
RC-40 29.7 1440 48.5 4 755.7 1.06
RC-40 25.7 1440 56.0 4 654.3 1.19
RC-40 23.4 1440 61.5 4 596.3 1.27
RC-40 20.5 1440 70.4 4 520.8 1.38
RC-40 18.3 1440 78.8 5.5 639.6 1.08
RC-40 15.7 1440 91.5 5.5 551.0 1.22

Power Chart - RB-50

Model Ratio Input RPM Output RPM Input Power (Kw) Output Torque (Nm) SF
RB-50 52.12 1440 27.6 4 1327.2 1.05
RB-50 46.48 1440 31.0 4 1183.8 1.18
RB-50 38.96 1440 37.0 4 992.1 1.41
RB-50 35.47 1440 40.6 5.5 1242.0 1.13
RB-50 30.73 1440 46.9 5.5 1076.0 1.30
RB-50 28.34 1440 50.8 7.5 1353.4 1.03
RB-50 24.84 1440 58.0 7.5 1186.2 1.18
RB-50 22.24 1440 64.7 9 1274.5 1.10
RB-50 20.78 1440 69.3 9 1190.9 1.18
RB-50 17.70 1440 81.4 9 1014.2 1.38
RB-50 15.45 1440 93.2 11 1082.2 1.29
RB-50 13.93 1440 103.4 15 1330.4 1.05
RB-50 12.37 1440 116.4 15 1181.0 1.10
RB-50 11.24 1440 128.1 15 1073.2 1.21
RB-50 10.18 1440 141.4 15 972.6 1.24
RC-50 175.7 1440 8.2 1.1 1230.5 1.30
RC-50 156.7 1440 9.2 1.5 1496.7 1.07
RC-50 131.3 1440 11.0 1.5 1254.2 1.28
RC-50 119.6 1440 12.0 1.5 1142.0 1.40
RC-50 103.6 1440 13.9 2.2 1451.1 1.10
RC-50 95.6 1440 15.1 2.2 1338.4 1.20
RC-50 83.8 1440 17.2 2.2 1173.1 1.36
RC-50 75.0 1440 19.2 3 1432.3 1.12
RC-50 70.1 1440 20.6 3 1338.4 1.20
RC-50 59.7 1440 24.1 4 1519.7 1.05
RC-50 52.1 1440 27.6 4 1326.7 1.21
RC-50 47.0 1440 30.7 4 1196.1 1.34
RC-50 41.7 1440 34.5 5.5 1459.9 1.10
RC-50 37.9 1440 38.0 5.5 1326.7 1.21
RC-50 34.3 1440 41.9 5.5 1202.3 1.33
RC-50 29.9 1440 48.1 7.5 1429.8 1.12
RC-50 26.6 1440 54.1 7.5 1271.2 1.18
RC-50 23.5 1440 61.3 9 1345.6 1.04
RC-50 20.4 1440 70.6 9 1169.0 1.20
RC-50 18.2 1440 79.1 9 1042.5 1.25